Арт.: 059471

Профиль LINIA45-FANTOM-3000 ANOD (Arlight, Алюминий)

Распечатать
Поделиться
Общие характеристики
Тип товара
Профиль
Назначение
Для прямоугольных светильников
Форма (сечение)
С фланцем
Цвет покрытия
Серебристый
Материал корпуса
Алюминий
Индивидуальная покраска
Возможна
Гарантийный срок
3 год(а)
Модельный ряд
SL-LINIA
Способ монтажа
Встраиваемый со скрытым фланцем
4 07148 ₽/м

В наличии

Пленочная упаковка (полистирол) 3 м — 12 21444
Пленочная упаковка (полистирол) 3 м 12 21444
Способы получения заказа Способы получения заказа Доставка по городу Самовывоз
Описание
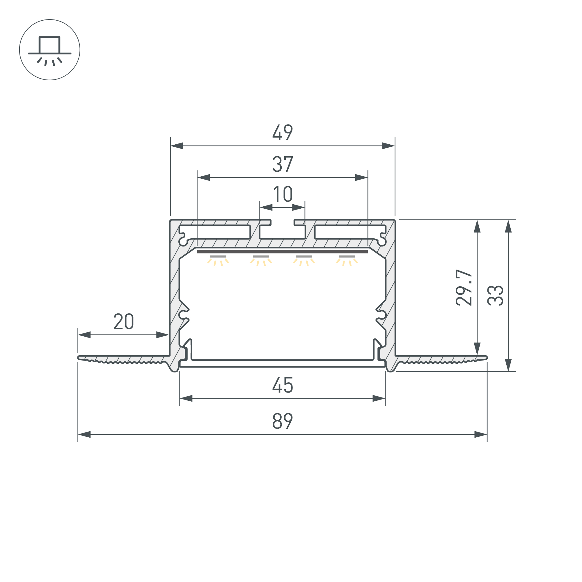
Встраиваемый профиль со скрытым фланцем из анодированного алюминия для создания линий света на потолке и стенах из ГКЛ. Габаритные размеры профиля составляют 3000 мм в длину, 89 мм в ширину и 33 мм в высоту, паз для установки 49 мм. Площадка для установки светодиодных лент позволяет использовать ленту шириной до 37 мм и мощностью до 53,6 Вт/м. Это обеспечивает гибкость в выборе светодиодных лент и создает потрясающие световые решения. Экраны, заглушки и другие аксессуары не включены в комплект и приобретаются отдельно. Цена указана за 1 метр профиля. Отличное решение для создания современных световых проектов.
Характеристики
Алюминиевый анодированный профиль для светодиодных лент и линеек. Габаритные размеры (L×W×H): 3000x89x33 мм, паз для установки 49 мм. Ширина площадки для ленты 37 мм. Экраны, заглушки и другие аксессуары приобретаются отдельно. Цена за 1 метр.
Общие
Артикул
059471
Тип товара
Профиль
Назначение
Для прямоугольных светильников
Форма (сечение)
С фланцем
Цвет покрытия
Серебристый
Материал корпуса
Алюминий
Индивидуальная покраска
Возможна
Гарантийный срок
3 год(а)
Модельный ряд
SL-LINIA
Способ монтажа
Встраиваемый со скрытым фланцем
Светотехнические
КПД профиля (cветовой)
85 %
Эксплуатационные
Внешний вид поверхности
Матовая
Покрытие поверхности
Анодирование
Ширина световой линии
45 мм
Рассеиваемая тепловая мощность на 1м
max: 53.6 W
Габариты
Длина
3000 мм
Ширина
89 мм
Высота
33 мм
Ширина площадки
37 мм
Глубина установки источника света
24.5 мм
Другие
Кратность цены за 1 м/шт
1
Модели серии (20)
Страница серии
Item 1 of 20