Арт.: 052377

Профиль LINIA7-FANTOM-2000 ANOD (Arlight, Алюминий)

Распечатать
Поделиться
Общие характеристики
Тип товара
Профиль
Форма (сечение)
С фланцем
Цвет покрытия
Серебристый
Назначение
Для гипсокартонных листов
Материал корпуса
Алюминий
Модельный ряд
SL-LINIA
Индивидуальная покраска
Возможна
Гарантийный срок
3 год(а)
Способ монтажа
Встраиваемый со скрытым фланцем
1 03163 ₽/м

В наличии

Пленочная упаковка (полистирол) 2 м — 2 06326
Пленочная упаковка (полистирол) 2 м 2 06326
Способы получения заказа Способы получения заказа Доставка по городу Самовывоз
Описание
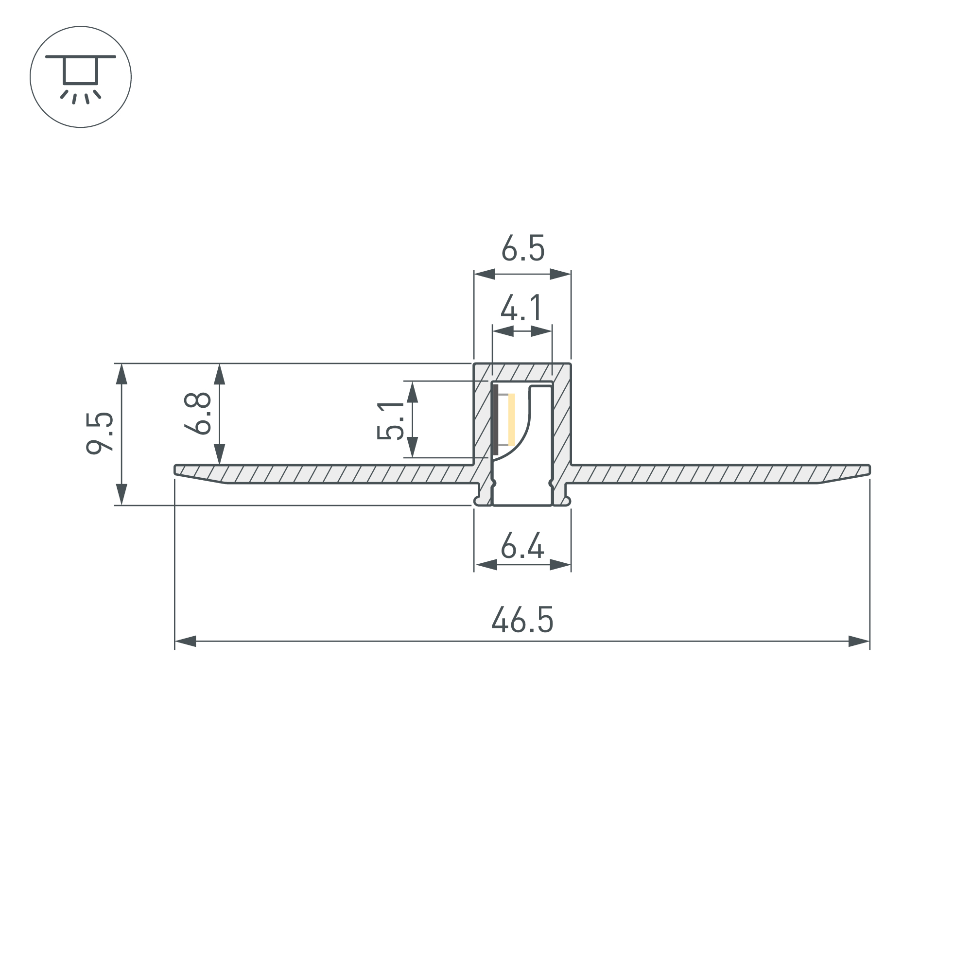
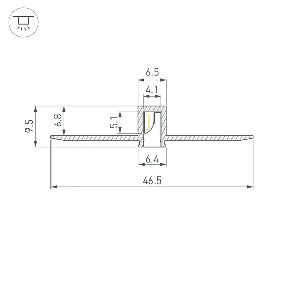
Встраиваемый профиль со скрытым фланцем из анодированного алюминия под строительную отделку для контурной подсветки интерьера. Габаритные размеры профиля составляют 2000 мм в длину, 46,5 мм в ширину и 9,5 мм в высоту. Площадка для установки светодиодных лент позволяет использовать ленту шириной до 5 мм и мощностью до 17,5 Вт/м. Это обеспечивает гибкость в выборе светодиодных лент и создает потрясающие световые решения. Экран не включены в комплект и приобретаются отдельно. Цена указана за 1 метр профиля. Отличное решение для создания современных световых проектов. Перед установкой профиля в гипсокартон ОБЯЗАТЕЛЬНО установите в профиль экран.
Характеристики
Алюминиевый анодированный профиль для светодиодных лент и линеек. Скрытая установка (под строительную отделку). Габаритные размеры (L×W×H): 2000x46,5x9,5 мм, паз для установки 6,5х6,8 мм. Ширина площадки для ленты 5 мм. Экраны приобретаются отдельно. Цена за 1 метр.
Общие
Артикул
052377
Тип товара
Профиль
Форма (сечение)
С фланцем
Цвет покрытия
Серебристый
Назначение
Для гипсокартонных листов
Материал корпуса
Алюминий
Модельный ряд
SL-LINIA
Индивидуальная покраска
Возможна
Гарантийный срок
3 год(а)
Способ монтажа
Встраиваемый со скрытым фланцем
Светотехнические
КПД профиля (cветовой)
45 %
Эксплуатационные
Ширина световой линии
5 мм
Рассеиваемая тепловая мощность на 1м
max: 17.5 W
Покрытие поверхности
Анодирование
Внешний вид поверхности
Матовая
Габариты
Длина
2000 мм
Ширина
46.5 мм
Высота
9.5 мм
Ширина площадки
5 мм
Глубина установки источника света
8.3 мм
Другие
Кратность цены за 1 м/шт
1
Модели серии (20)
Страница серии
Item 1 of 20